H2AF-27-D90圓光柵/角度編碼器
型號注釋:
H2A:jue對式角度編碼器,通訊協議為SSI,適用于發格系統或其他支持SSI協議的數控系統。
H2AS:jue對式角度編碼器,通訊協議為SSI,支持SIEMENS® Solution Line系列。
H2AF:jue對式角度編碼器,支持FANUC® 01,02和αi 通訊協議。
H2AM:jue對式角度編碼器,支持MITSUBISHI® CNC 通訊協議。
H2AP:jue對式角度編碼器,支持PANASONIC® (Matsushita)通訊協議。
H2AD:jue對式角度編碼器,通訊協議為發格FeeDat®協議,適用于發格和其他應用發格FeeDat通訊協議的數控系統。
H2AD + EC-PA-DQ1:FeeDat型編碼器+EC-PA-DQ1信號轉換電纜,支持西門子應用DRIVE-CLiQ®通訊協議的Solution Line系列數控系統。
H2AB:jue對式角度編碼器,支持應用BiSS®通訊協議的數控系統。
技術參數:
| H2A | H2AS | H2AF | H2AM | H2AP | H2AD | H2AD +EC-PA-DQ1 | H2AB |
| 測量方式 | 讀取圓盤式玻璃光柵 |
| 精度 | ± 2.5角秒/± 5角秒 |
| 輸出信號 | 1 Vpp | 1 Vpp | – | – | – | – | – | – |
| 分辨率/每轉脈沖數 | 23 bits (8 388 608 positions)1 Vpp: 16 384 pulses/ turn | 23 bits (8 388 608 positions)1 Vpp: 16 384 pulses/ turn | 27 bits (134217 728 positions) | 27 bits (134 217 728 positions) | 23 bits (8 388 608 positions) | 27 bits (134 217 728 positions) | 27 bits (134 217 728 positions) | 26 bits (67 108 864 positions) |
| zui高頻率 | 180 kHz(1Vpp信號) | 180 kHz(1Vpp信號) | – | – | – | – | – | – |
| zui大電氣轉速 | < 1500 min-1 |
| 固有頻率 | > 1000 Hz |
| 電源 | 5 V (3.6...5.25); < 250 mA (無負載) |
| zui大電纜長度 | 75 m (*) | 100 m | 30 m | 30 m | 30 m | 100 m | 30 m | 30 m (*) |
| zui大機械轉速 | 3000 min-1 |
| 慣量 | 650 g/cm2 |
| 轉動力矩 | < 0.5 Nm |
| 抗振性 | 100 m/s2 (55 … 2000 Hz) IEC 60068-2-6 |
| 抗沖擊性 | 1000 m/s2 (6 ms) IEC 60068-2-27 |
| 工作溫度 | 0oC … 50oC |
| 存儲溫度 | -30oC ... 80oC |
| 重量 | 1 kg |
| 防護等級 | IP 64 DIN 40050 (標準)> IP 64 (DIN 40050)潔凈壓縮空氣0.8± 0.2bar |
| 連接方式 | 內嵌式插座 |
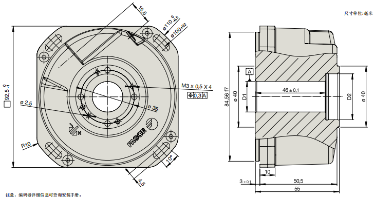
產品尺寸圖:

訂貨型號注解:
| Example of Angular Encoder: H2AF-27-D90-2 |
| H2 | A | F | 27 | D90 | 2 |
類型: ?H2:孔型 | A:jue對編碼器 | 通訊協議: ? 空格: SSI協議 (發格) ? D: FeeDat®協議 (發格)(*) ? S: SSI協議(西門子SL) ? F: FANUC®(01 and 02 and αi)協議 ? M: MITSUBISHI® CNC協議 ? P: PANASONIC®(Matsushita)協議 ? B: BiSS®協議 | 每轉脈沖數: ? 23 位(8 388 608 positions) ? 26 位(67 108 864 positions) ? 27 bits(134 217 728 positions) | 外徑尺寸: ? D90: 90 mm | 精度: ? 空格: ± 5” 角秒 ? 2: ± 2.5” 角秒 |